Your region has been set automatically. Please confirm or select a different region.
482-AG Livestock Digital Weight Indicator
- LCD display
- Time and date, battery backed
- Numeric keypad
- Two independent communication ports
- NEMA Type 4X/IP66 stainless steel washdown enclosure
- Adaptive filter or rolling average filter
- Includes Group Weighing Software
- 16 ft homerun cable installed
Approvals
Some approval documents are available to view by clicking the icons below.
WARNING: Cancer and Reproductive Harm California Proposition 65
A Livestock Digital Weight Indicator
Rice Lake’s 482-AG Livestock Digital Weight Indicator is the ideal Legal for Trade indicator for the ranch or farm, programmed for the specific needs of animal handling. The multi-animal tracking software allows users to weigh animals individually or in groups. Add a printer and the 482-AG will also keep track of shrink, head count and total herd weight.
The 482-AG can be used in Legal for Trade weighing systems in both the United States and Canada. This indicator is well suited to the MAS-LC and MAS-LM stationary group scale applications. The easy-to-read LCD display with 0.8 inch digits can be seen from long distances. Three-stage RATTLETRAP® digital filtering with selectable integration rate ensures stable weights even while animals are moving on the scale.
The 482-AG housing is built for tough environments, constructed of durable stainless steel and rated NEMA4X/IP66 for top performance indoors and out.
482-AG Specifications
|
Power: Power consumption: Excitation Voltage: Analog Signal Input Range: Analog Signal Sensitivity: A/D Sample Rate: Resolution: System Linearity: |
Digital I/O: Communication Ports: Annunciators: Display: Keys/Buttons: |
Temperature Range: Weight: Rating/Material: Warranty: EMC Immunity: Approvals: |
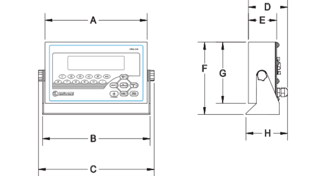
482-AG Dimensions

| Dimensions | |||
|---|---|---|---|
| A | 9.50 in (241 mm) | E | 2.75 in (70 mm) |
| B | 10.00 in (254 mm) | F | 7.00 in (177 mm) |
| C | 11.00 in (279 mm) | G | 6.00 in (152 mm) |
| D | 3.65 in (92 mm) | H | 3.75 in (95 mm) |
Resources/Downloads
Options
| Part # | Description | List Price | Cart/Quote |
|---|---|---|---|
| 131316 | Power Supply, Switching 85-265VAC Input, 6VDC Output, 480 indicator |
List Price: $68.00 |
|
| 83564 | Overlay,Clear Protective Window with Adhesive Edge, Package of Five Each, IQ+355, 320IS, 420, CW90 |
List Price: $82.00 |
|
| 131319 | Board,A/D ASSY 480 |
List Price: $245.00 |