Your region has been set automatically. Please confirm or select a different region.
Clevis Mount Assemblies
- Mild steel or stainless steel
- Used in the ITCM assembly
- Adapts rod to rod-end ball joint
- Provides electrical isolation for load cell protection
- Eliminates unwanted side loads
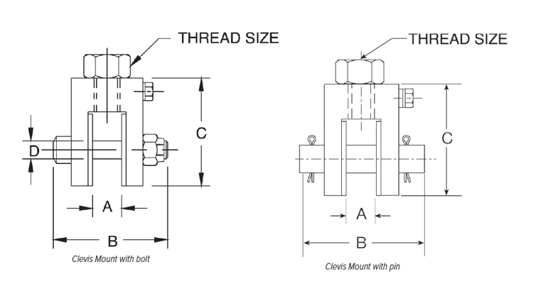
Clevis Mount Dimensions

| Part # | A | B | C | D | Thread Size | Safe Load* |
|---|---|---|---|---|---|---|
| Mild Steel with Bolt | ||||||
| 17792 | 0.52 in | 2.38 in | 1.94 in | 0.38 in | 3/8-16 UNC | 300 lb |
| 17793 | 0.52 in | 2.38 in | 1.94 in | 0.38 in | 1/2-13 UNC | 300 lb |
| 17783 | 0.39 in | 1.81 in | 1.69 in | 0.25 in | 1/2-13 UNC | 500 lb |
| 17784 | 0.65 in | 2.68 in | 2.31 in | 0.50 in | 3/4-10 UNC | 4,000 lb |
| 17785 | 0.78 in | 3.37 in | 3.00 in | 0.62 in | 1-8 UNC | 10,000 lb |
| 17786 | 0.39 in | 1.81 in | 1.69 in | 0.25 in | 3/8-16 UNC | 500 lb |
| 17787 | 0.65 in | 2.68 in | 2.31 in | 0.50 in | 1/2-13 UNC | 2,000 lb |
| 17788 | 0.65 in | 2.68 in | 2.31 in | 0.50 in | 5/8-11 UNC | 2,500 lb |
| 17789 | 0.78 in | 3.37 in | 3.00 in | 0.62 in | 3/4-10 UNC | 5,000 lb |
| Mild Steel with Pin | ||||||
| 17790 | 1.39 in | 4.12 in | 4.50 in | 1.00 in | 1 1/4-7 UNC | 15,000 lb |
| 17791 | 1.22 in | 4.12 in | 5.00 in | 1.25 in | 1 1/2-6 UNC | 20,000 lb |
| Stainless Steel with Pin | ||||||
| 33644 | 0.52 in | 2.38 in | 1.94 in | 0.38 in | 1/2-13 UNC | 300 lb |
| 33643 | 0.39 in | 1.81 in | 1.69 in | 0.25 in | 1/2-13 UNC | 500 lb |
| 33641 | 0.39 in | 1.81 in | 1.69 in | 0.25 in | 3/8-16 UNC | 500 lb |
| 33658 | 0.52 in | 2.38 in | 1.94 in | 0.38 in | 3/8-16 UNC | 500 lb |
| 33642 | 0.65 in | 2.68 in | 2.31 in | 0.50 in | 3/4-10 UNC | 4,000 lb |
| 33640 | 0.65 in | 2.68 in | 2.31 in | 0.50 in | 1/2-13 UNC | 2,000 lb |
| 33639 | 0.65 in | 2.68 in | 2.31 in | 0.50 in | 5/8-11 UNC | 2,500 lb |
| 33638 | 0.78 in | 3.37 in | 3.00 in | 0.62 in | 3/4-10 UNC | 5,000 lb |
| *Do not exceed the safe load | ||||||
Resources/Downloads
Parts
Mild Steel with Bolt
| Part # | Description | List Price | Cart/Quote |
|---|---|---|---|
| 17792 | Clevis ASSY,3/8-16NC 300 lb Steel Zinc Plated |
List Price: $87.00 |
|
| 17793 | Clevis ASSY,1/2-13NC 300 lb Steel Zinc Plated |
List Price: $87.00 |
|
| 17783 | Clevis ASSY,1/2-13NC 500 lb Steel Zinc Plated |
List Price: $99.00 |
|
| 17784 | Clevis ASSY,3/4-10NC 4,000 lb Steel Zinc Plated |
List Price: $99.00 |
|
| 17785 | Clevis ASSY,1-8NC 10,000 lb Steel Zinc plated |
List Price: $99.00 |
|
| 17786 | Clevis ASSY,3/8-16NC 500 lb Steel Zinc Plated |
List Price: $94.00 |
|
| 17787 | Clevis ASSY,1/2-13NC 3,000 lb Steel Zinc Plated |
List Price: $99.00 |
|
| 17788 | Clevis ASSY,5/8-11NC 2,500 lb Steel Zinc Plated |
List Price: $99.00 |
|
| 17789 | Clevis ASSY,3/4-10NC 5,000 lb Steel Zinc Plated |
List Price: $99.00 |