Your region has been set automatically. Please confirm or select a different region.
Flintec® SB5 Stainless Steel, Single-Ended Beam Load Cell
Made for multiple-cell applications, such as floor scales and tank, bin and hopper weighing systems. Used exclusively in Rice Lake Weighing Systems' Paramounts® EP mounting systems. mV/V/ohm calibration assures matched outputs for easy calibration. NTEP Certified capacities starting at 5 kN. Non-NTEP Certified options at 100 kN. Comes with 10 ft of cable length for 5 to 23 kN capacities, and 30 ft for 5 to 100 kN capacities.
Approvals
Some approval documents are available to view by clicking the icons below.
WARNING: Cancer and Reproductive Harm California Proposition 65
SB5 Load Cell Specifications
|
Full Scale Output: Output Resistance: Input Resistance: Material/Finish: Temperature: Seal Type: |
Safe Overload: Safe Sideload: Rated Excitation: Combined Error: Insulation Resistance: Deflection at Capacity: |
Cable Length: Cable Diameter: Cable Color Code: Warranty: Approvals: |
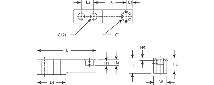
SB5 Load Cell Dimensions

| Rated Capacity | C | C1 | H | H1 | H2 | H3 | H5 | L | L1 | L2 | L3 | L4 | W |
|---|---|---|---|---|---|---|---|---|---|---|---|---|---|
| kN/in | |||||||||||||
| 5 to 20 | 0.53 | 0.71 | 1.42 | 0.39 | 0.59 | 1.19 | 0.16 | 6.10 | 0.59 | 1.38 | 3.15 | 2.98 | 1.18 |
| 50 | 0.85 | 0.98 | 1.93 | 0.58 | 0.81 | 1.62 | 0.31 | 7.48 | 0.83 | 1.57 | 4.13 | 3.66 | 1.69 |
| 100 | 1.06 | 1.18 | 2.87 | 0.82 | 1.21 | 2.43 | — | 9.65 | 1.19 | 1.97 | 5.31 | 4.72 | 2.36 |
Resources/Downloads
Parts
NTEP Certified/OIML - 10ft Cable
| Part # | Description | List Price | Cart/Quote |
|---|---|---|---|
| 33387 | Load Cell,SEB SB5-5KN-C3 5KN (1,125lb) 10ft Flintec 2mV/V 1000OHM EW NTEP III 3S/5M SST OIML C3 |
List Price: $450.00 |
|
| 33388 | Load Cell,SEB SB5-10KN-C3 10KN (2,250lb) 10ft Flintec 2mV/V 1000OHM EW NTEP III 3S/5M SST OIML C3 |
List Price: $450.00 |
|
| 33389 | Load Cell,SEB SB5-20KN-C3 20KN (4,500lb) 10ft Flintec 2mV/V 1000OHM EW NTEP III 3S/5M SST OIML C3 |
List Price: $450.00 |
NTEP Certified/OIML - 15ft Cable
Non-NTEP Certified/Non-OIML - 15ft Cable
NTEP Certified/OIML - 30ft Cable
Non-NTEP Certified/Non-OIML - 30ft Cable
Related Products

Paramounts® EP Weigh Module Kit
The Paramounts EP system offers all the design advantages of the Paramounts system in applications where the extensive sealing of the SB4 load cell is not necessary.