Your region has been set automatically. Please confirm or select a different region.
Interface 1200 Series Alloy Steel/Aluminum Compression Canister Load Cell
Resistance to extraneous forces allows for high fatigue life, less stringent mounting alignment and lesser possibility of reading errors. This design permits smaller, portable and compact testing machines. Capacities range from 1,000 to 100,000 lb. Complete with 10 ft of load cell cable.
1200 Series Load Cell Specifications
|
Full Scale Output: Bridge Resistance: Material/Finish: Temperature: |
Seal Type: Safe Overload: Rated Excitation: Nonlinearity: Hysteresis: |
Insulation Resistance: Cable Length: Cable Color Code: Warranty: |
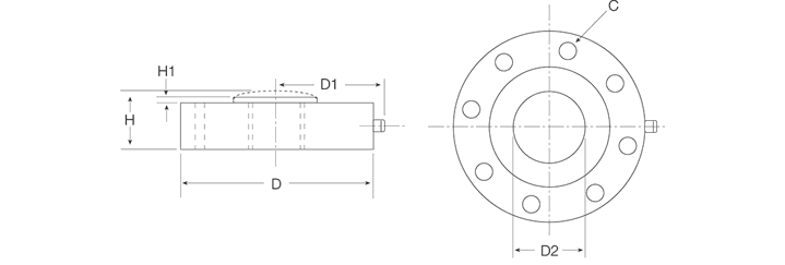
1200 Series Load Cell Dimensions

| Rated Capacity | C | D | D1 | D2 | H | H1 |
|---|---|---|---|---|---|---|
| lb/in | ||||||
| 1,000 to 10,000 | 0.28 dia 8 Holes | 4.12 | 2.63 | 1.34 | 1.37 | 0.12 |
| 25,000 to 50,000 | 0.34 dia 4 Holes | 4.75 | 2.95 | 1.57 | 1.75 | 0.12 |
| 100,000 | 0.47 dia 12 Holes | 7.50 | 4.32 | 3.12 | 2.25 | 0.25 |
Resources/Downloads
Parts
Model 1211
| Part # | Description | List Price | Cart/Quote |
|---|---|---|---|
| 36132 | Load Cell,CDK 1211EX-1k Low Profile Aluminum 1000lb 10ft Interface 2mV/V 350 OHM |
List Price: $1,495.00 |
|
| 36133 | Load Cell,CDK 1211EX-2k Low Profile Aluminum 2000lb 10ft Interface 2mV/V 350 OHM |
List Price: $1,495.00 |
|
| 36134 | Load Cell,CDK 1211EX-5k Low Profile Alloy Steel 5000lb 10ft Interface 4mV/V 350 OHM |
List Price: $1,995.00 |
|
| 36135 | Load Cell,CDK 1211EX-10k Low Profile Alloy Steel 10,000lb 10ft Interface 4mV/V 350 OHM. |
List Price: $1,995.00 |