Your region has been set automatically. Please confirm or select a different region.
ITCM Isolated Tension Cell Weigh Module Kit
Complete Kit Includes
- Three or four ITCM assemblies with RL20000I NTEP Certified S-beam load cells
- One JB4SS NEMA Type 4X stainless steel signal trim junction box
- 25 ft of hostile environment EL147HE SURVIVOR® load cell cable
Standard Features
- Capacities (per module): 100 to 20,000 lb
- Clevis mounts with nylon insulating washers
- Zinc-plated clevis assemblies
- Load cell is completely isolated from stray currents (except 20,000 lb)
- Grounding strap provides alternative path to ground
- Complete package for ease of installation
- Provides correct loading even in difficult installations
- Lower overall height compared to other isolated tension assemblies
Applications
- Suspended hoppers and tanks
- Mechanical scale conversions
- Use as a single module or in multiples
Approvals
Some approval documents are available to view by clicking the icons below.
WARNING: Cancer and Reproductive Harm California Proposition 65
Tension Load Cell Module
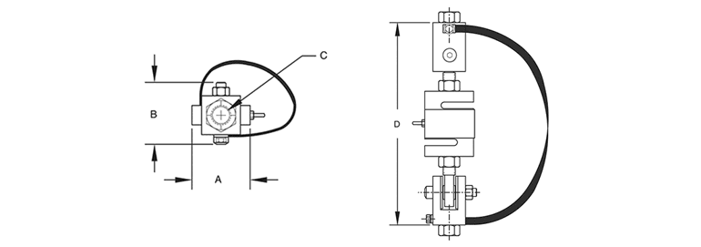
The ITCM Series utilizes several Rice Lake Weighing Systems components to provide an unmatched level of performance in tank and hopper weighing applications and mechanical scale conversions. The ITCM incorporates clevis and unique rod-end ball joint assemblies to reduce the overall length to less than half of the traditional tension cell mounts, while providing correct load alignment. In addition, the load cell is completely electrically isolated from stray currents, which are a major cause of load cell failure. To complete the design, a grounding strap connects the two clevis assemblies to further provide safety to your load cells.
ITCM Weigh Module Dimensions

| Load Cell Capacity | A | B | C | D | Single Module | 3-Module Kit | 4-Module Kit |
|---|---|---|---|---|---|---|---|
| lb/in | Part# | Part# | Part# | ||||
| 100 lb | 2.00 | 1.81 | 3/8-16 UNC | 7.00 (ref) | 17851 | 18003 | 18027 |
| 100 lb | 2.00 | 1.81 | 1/2-13 UNC | 7.00 (ref) | 17831 | 18004 | 18028 |
| 150 lb | 2.00 | 1.81 | 3/8-16 UNC | 7.00 (ref) | 30337 | 30357 | 30359 |
| 150 lb | 2.00 | 1.81 | 1/2-13 UNC | 7.00 (ref) | 30336 | 30358 | 30360 |
| 200 lb | 2.00 | 1.81 | 3/8-16 UNC | 7.00 (ref) | 30335 | 30361 | 30363 |
| 200 lb | 2.00 | 1.81 | 1/2-13 UNC | 7.00 (ref) | 30338 | 30362 | 30364 |
| 250 lb | 2.00 | 1.81 | 3/8-16 UNC | 7.00 (ref) | 17852 | 18005 | 18029 |
| 250 lb | 2.00 | 1.81 | 1/2-13 UNC | 7.00 (ref) | 17832 | 18006 | 18030 |
| 500 lb | 2.68 | 2.68 | 1/2-13 UNC | 9.50 (ref) | 17853 | 18007 | 18031 |
| 500 lb | 2.68 | 2.68 | 5/8-11 UNC | 9.50 (ref) | 17858 | 18008 | 18032 |
| 500 lb | 2.68 | 2.68 | 3/4-10 UNC | 9.50 (ref) | 17833 | 18009 | 18033 |
| 750 lb | 2.68 | 2.68 | 1/2-13 UNC | 9.50 (ref) | 17854 | 18010 | 18034 |
| 750 lb | 2.68 | 2.68 | 5/8-11 UNC | 9.50 (ref) | 17859 | 18011 | 18035 |
| 750 lb | 2.68 | 2.68 | 3/4-10 UNC | 9.50 (ref) | 17834 | 18012 | 18036 |
| 1000 lb | 2.68 | 2.68 | 1/2-13 UNC | 9.50 (ref) | 17855 | 18013 | 18037 |
| 1000 lb | 2.68 | 2.68 | 5/8-11 UNC | 9.50 (ref) | 17860 | 18014 | 18038 |
| 1000 lb | 2.68 | 2.68 | 3/4-10 UNC | 9.50 (ref) | 17835 | 18015 | 18039 |
| 1500 lb | 2.68 | 2.68 | 1/2-13 UNC | 9.50 (ref) | 17856 | 18016 | 18040 |
| 1500 lb | 2.68 | 2.68 | 5/8-11 UNC | 9.50 (ref) | 17861 | 18017 | 18041 |
| 1500 lb | 2.68 | 2.68 | 3/4-10 UNC | 9.50 (ref) | 17836 | 18018 | 18042 |
| 2000 lb | 2.68 | 2.68 | 1/2-13 UNC | 9.50 (ref) | 17857 | 18019 | 18043 |
| 2000 lb | 2.68 | 2.68 | 5/8-11 UNC | 9.50 (ref) | 17862 | 18020 | 18044 |
| 2000 lb | 2.68 | 2.68 | 3/4-10 UNC | 9.50 (ref) | 17837 | 18021 | 18045 |
| 2500 lb | 2.68 | 2.68 | 5/8-11 UNC | 9.50 (ref) | 17863 | 18022 | 18046 |
| 2500 lb | 2.68 | 2.68 | 3/4-10 UNC | 9.50 (ref) | 17838 | 18023 | 18047 |
| 3000 lb | 3.37 | 3.37 | 3/4-10 UNC | 10.50 (ref) | 30339 | 30365 | 30366 |
| 5000 lb | 3.37 | 3.37 | 3/4-10 UNC | 12.25 (ref) | 17864 | 18024 | 18048 |
| 5000 lb | 3.37 | 3.37 | 1-8 UNC | 12.25 (ref) | 17839 | 18025 | 18049 |
| 10,000 lb | 3.37 | 3.37 | 1-8 UNC | 12.25 (ref) | 17840 | 18026 | 18050 |
| 15,000 lb | 4.00 | 4.12 | 1 1/4-7 UNC | 18.00 (ref) | 17960 | 30353 | 30354 |
| 20,000 lb | 5.00 | 4.12 | 1 1/2-6 UNC | 20.00 (ref) | 17961 | 30355 | 30356 |
| * Load Rating is per module | |||||||
Resources/Downloads
Sales Literature
| Title | Collateral Wizard | Request | Download | Category | |
|---|---|---|---|---|---|
| ITCM Assembly Light to Medium Capacity Mount Assembly | Request | Download | Weigh Modules | ||
| Load Cell and Weigh Module Selection Guide | Request | Download | Load Cells|Weigh Modules | ||
| Load Cell Selection Guide | Request | Download | Load Cells|Weigh Modules | ||
| Load Cell and Weigh Module Handbook | Request | Download | Load Cells|Weigh Modules |
Parts
Single-Module Kit
| Part # | Description | List Price | Cart/Quote |
|---|---|---|---|
| 17851 | Mount ASSY,ITCM 100 lb 3/8-16UNC Mild Steel Zinc Plated Tension INCL RL20000-100 lb |
List Price: $566.00 |
|
| 17831 | Mount ASSY,ITCM 100 lb 1/2-13UNC Mild Steel Zinc Plated Tension INCL RL20000-100 lb |
List Price: $566.00 |
|
| 30337 | Mount ASSY,ITCM 150 lb 3/8-16UNC Mild Steel Zinc Plated Tension INCL RL20000-150LB |
List Price: $566.00 |
|
| 30336 | Mount ASSY,ITCM 150 lb 1/2-13UNC Mild Steel Zinc Plated Tension INCL RL20000-150LB |
List Price: $566.00 |
|
| 30335 | Mount ASSY,ITCM 200 lb 3/8-16UNC Mild Steel Zinc Plated Tension INCL RL20000-200LB |
List Price: $566.00 |
|
| 30338 | Mount ASSY,ITCM 200 lb 1/2-13UNC Mild Steel Zinc Plated Tension INCL RL20000-200LB |
List Price: $566.00 |
|
| 17852 | Mount ASSY,ITCM 250 lb 3/8-16UNC Mild Steel Zinc Plated Tension INCL RL20000-250 lb |
List Price: $566.00 |
|
| 17832 | Mount ASSY,ITCM 250 lb 1/2-13NC Mild Steel Zinc Plated Tension INCL RL20000-250 lb |
List Price: $566.00 |
|
| 17853 | Mount ASSY,ITCM 500 lb 1/2-13NC Mild Steel Zinc Plated Tension INCL RL20000-500 lb |
List Price: $619.00 |
|
| 17858 | Mount ASSY,ITCM 500 lb 5/8-11NC Mild Steel Zinc Plated Tension INCL RL20000-500 lb |
List Price: $619.00 |
|
| 17833 | Mount ASSY,ITCM 500 lb 3/4-10NC Mild Steel Zinc Plated Tension INCL RL20000-500 lb |
List Price: $619.00 |
|
| 17854 | Mount ASSY,ITCM 750 lb 1/2-13NC Mild Steel Zinc Plated Tension INCL RL20000-750 lb |
List Price: $619.00 |
|
| 17859 | Mount ASSY,ITCM 750 lb 5/8-11NC Mild Steel Zinc Plated Tension INCL RL20000-750 lb |
List Price: $619.00 |
|
| 17834 | Mount ASSY,ITCM 750 lb 3/4-10NC Mild Steel Zinc Plated Tension INCL RL20000-750 lb |
List Price: $619.00 |
|
| 17855 | Mount ASSY,ITCM 1,000 lb 1/2-13NC Mild Steel Zinc Plated Tension INCL RL20000-1,000 lb |
List Price: $619.00 |
|
| 17860 | Mount ASSY,ITCM 1,000 lb 5/8-11NC Mild Steel Zinc Plated Tension INCL RL20000-1,000 lb |
List Price: $619.00 |
|
| 17835 | Mount ASSY,ITCM 1,000 lb 3/4-10NC Mild Steel Zinc Plated Tension INCL RL20000-1,000 lb |
List Price: $619.00 |
|
| 17856 | Mount ASSY,ITCM 1,500 lb 1/2-13NC Mild Steel Zinc Plated Tension INCL RL20000-1,500 lb |
List Price: $619.00 |
|
| 17861 | Mount ASSY,ITCM 1,500 lb 5/8-11NC Mild Steel Zinc Plated Tension INCL RL20000-1,500 lb |
List Price: $609.00 |
|
| 17836 | Mount ASSY,ITCM 1,500 lb 3/4-10NC Mild Steel Zinc Plated Tension INCL RL20000-1,500 lb |
List Price: $609.00 |
|
| 17857 | Mount ASSY,ITCM 2,000 lb 1/2-13NC Mild Steel Zinc Plated Tension INCL RL20000-2,000 lb |
List Price: $609.00 |
|
| 17862 | Mount ASSY,ITCM 2,000 lb 5/8-11NC Mild Steel Zinc Plated Tension INCL RL20000-2,000 lb |
List Price: $619.00 |
|
| 17837 | Mount ASSY,ITCM 2,000 lb 3/4-10NC Mild Steel Zinc Plated Tension INCL RL20000-2,000 lb |
List Price: $619.00 |
|
| 17863 | Mount ASSY,ITCM 2,500 lb 5/8-11NC Mild Steel Zinc Plated Tension INCL RL20000-2,500 lb |
List Price: $619.00 |
|
| 17838 | Mount ASSY,ITCM 2,500 lb 3/4-10NC Mild Steel Zinc Plated Tension INCL RL20000-2,500 lb |
List Price: $619.00 |
|
| 30339 | Mount ASSY,ITCM 3,000 lb 3/4-10NC Mild Steel Zinc Plated Tension INCL RL20000-3000LB |
List Price: $646.00 |
|
| 17864 | Mount ASSY,ITCM 5,000 lb 3/4-10NC Mild Steel Zinc Plated Tension INCL RL20000-5,000 lb |
List Price: $842.00 |
|
| 17839 | Mount ASSY,ITCM 5,000 lb 1-8NC Mild Steel Zinc Plated Tension INCL RL20000-5,000 lb |
List Price: $842.00 |
|
|
17840
|
Mount ASSY,ITCM 10,000 lb 1-8NC Mild Steel Zinc Plated Tension INCL RL20000-10,000 lb
|
List Price: $842.00 |
|
|
17960
|
Mount ASSY,ITCM 15,000 lb 1-1/4-7NC Mild Steel Zinc Plated Tension INCL RL20000-15,000 lb
|
List Price: $1,756.00 |
|
| 17961 | Mount ASSY,ITCM 20,000 lb 1-1/2-6NC Mild Steel Zinc Plated Tension INCL RL20000-20,000 lb |
List Price: $2,064.00 |
3-Module Kit
4-Module Kit
Replacement Parts
Replacement parts can only be purchased through trained and authorized dealers. You must be logged in as a dealer to view any available replacement parts.
To locate a dealer in your area, please call us at 1-800-472-6703 or fill out a request online.
Related Products

Rice Lake RL20000I Alloy Steel, S-beam Load Cell
The alloy steel, Rice Lake RL20000I S-beam load cell is ideally suited for scale conversions and general purpose weighing.