Your region has been set automatically. Please confirm or select a different region.
Motor Truck Scale Electronic Weigh Module Conversion Kit
Complete Kit Includes
- Four, six or eight Translink™ mounting assemblies with NTEP Certified RL75040 or RL75223 welded-seal load cells
- One JB8SP NEMA Type 4X signal-trim junction box with individual and section trimming capability (six- and eight-mount kits) or one JB4SP NEMA Type 4X signal-trim junction box (four-mount kits)
- One UJB3T6 DC transient protector
- 100 ft of hostile environment EL147HE SURVIVOR® load cell cable
Standard Features
- Capacity (per module): 25,000 to 100,000 lb
- Cost and time efficient installation; no need to remove weighbridge
- Converts existing scale capacities of 40,000 to 300,000 lb
- Four, six or eight-mount kits for two, three or four section conversions
- Translink heavy-capacity mounting assemblies
- Free movement in all directions in the horizontal plane with virtually no friction
- Completely self-centering
- Requires no check rods
- Compatible with VPG® Sensortronics® 65040A or VPG® Revere 5223 load cells
Applications
- Updating existing mechanical motor truck scales
- Replacing unsatisfactory electronic motor truck scales
- Conversion of heavy-capacity scales into fully electronic vehicle scales where the existing scale cannot be removed
Approvals
Some approval documents are available to view by clicking the icons below.
WARNING: Cancer and Reproductive Harm California Proposition 65
A Conversion Kit that Minimizes Downtime
Full electronic performance can be achieved at a fraction of the cost of a new scale and pit. The Motor Truck Scale (MTS) electronic conversion kit is designed to transform an existing scale pit and weighbridge into a fully electronic vehicle scale. Designed for quick installation without removing the platform or reconfiguring the pit, the conversion kit can often be installed in a matter of days, minimizing downtime. This ease of installation is important when considering installations where it is not feasible to completely remove the existing scale.
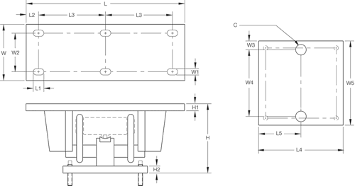
MTS Dimensions

| Rated Capacity | C | H* | H1 | H2 | L | L1 | L2 | L3 | L4 | L5 | W | W1 | W2 | W3 | W4** | W5 |
|---|---|---|---|---|---|---|---|---|---|---|---|---|---|---|---|---|
| lb/inches | ||||||||||||||||
| 50,000 to 100,000 (RL75223) | 1.50 | 12.93 | 1.00 | 1.00 | 22.50 | 1.50 | 1.75 | 9.50 | 11.75 | 5.88 | 7.75 | 0.91 | 5.25 | 1.25 | 9.25 | 11.75 |
| 25,000 to 40,000 (RL75040) | 1.50 | 9.88 | 1.00 | 1.00 | 18.50 | 1.50 | 1.75 | 7.50 | 11.75 | 5.88 | 7.75 | 0.91 | 5.25 | 1.25 | 9.25 | 11.75 |
| 50,000 to 75,000 (RL75040) | 1.50 | 12.82 | 1.00 | 1.00 | 22.50 | 1.50 | 1.75 | 9.50 | 11.75 | 5.88 | 7.75 | 0.91 | 5.25 | 1.25 | 9.25 | 11.75 |
| *Custom heights available; Consult | ||||||||||||||||
| **Custom hole spacing for existing bolt patterns is available; Consult | ||||||||||||||||
Resources/Downloads
Parts
4-Module Kit
| Part # | Description | List Price | Cart/Quote |
|---|---|---|---|
| 30513 | Truck Mount Kit,40K 4EA Translink RL75040A-25K JB4SS UJB-3T6 |
List Price: $6,324.00 |
|
| 30514 | Truck Mount Kit,60K 4EA Translink RL75040A-40K JB4SS UJB-3T6 |
List Price: $6,854.00 |