Your region has been set automatically. Please confirm or select a different region.
PL9000-11 Alloy Steel, Environmentally Sealed Load Cell
PL9000-11 Specifications
|
Material/Finish: Seal Type: |
Cable Length: Connector Type: |
Warranty: One-year limited warranty |
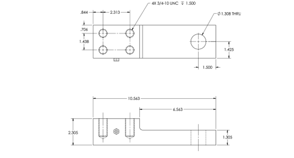
PL90000-11 Dimensions
