Your region has been set automatically. Please confirm or select a different region.
PL9000-14 Alloy Steel, Hermetically Sealed Load Cell
The PL9000-14 is a low-profile load cell designed for onboard weighing applications with limited height. With a single-piece bearing plate and an overall profile of only 2.4 inches, the PL9000-14 is ideal for applications with four- or six-point underbody mounts and body rest mounts.
PL9000-14 Specifications
|
Output: Output Resistance: Input Resistance: Material/Finish: Temperature: |
Rated Excitation: Non-linearity: Insulation Resistance: Seal Type:
|
Cable Length: Connector Type: Connection Pin Out: Warranty: |
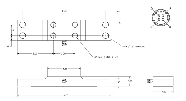
PL9000-14 Dimensions

Resources/Downloads
Parts
| Part # | Description | List Price | Cart/Quote |
|---|---|---|---|
| 114322 | Underbody Load Cell 13 Inch PL9000-14 0.5mV/V 10,000 LB 350Ohm 0.5 mV/V@12,500 LB 350 Ohm |
List Price: $810.00 |