Your region has been set automatically. Please confirm or select a different region.
PL9000-22 Alloy Steel, Environmentally Sealed Load Cell
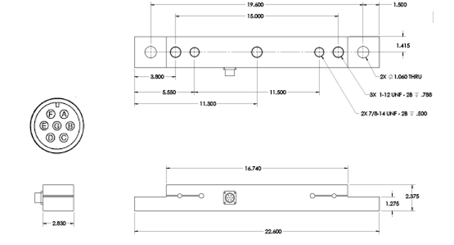
The PL9000-22 is designed for underbody mounts and low-profile axle scales such as Rice Lake's AX3040. It has a 2.4 inch profile and is 22.6 inches long.
PL9000-22 Specifications
|
Output: Output Resistance: Input Resistance: Material/Finish: |
Temperature: Rated Excitation: Non-linearity: Insulation Resistance: Seal Type:
|
Connector Type: Connector Pin Out: Warranty: |
PL9000-22 Dimensions

Resources/Downloads
Parts
| Part # | Description | List Price | Cart/Quote |
|---|---|---|---|
| 111766 | Load Cell,PL9000-22 22.6 Inch Bolt On Alloy Steel Dynamic Capacity 20,000lb. IP66 Also used in AX3040 Axle Scale |
List Price: $1,170.00 |
Related Products

AX3040 Axle Scale
The AX3040 axle scale is easily portable, available in multiple lengths, and is ideal for monitoring vehicle weights in temporary sites.