Your region has been set automatically. Please confirm or select a different region.
PL9000-26 Alloy Steel, Hermetically Sealed Load Cell
The PL9000-26 is a heavy-duty, shear beam load cell designed for king pin plates and underbody mounts.
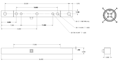
Available with either a single bearing plate or two separate bearing plates, the PL9000-26 has a 2.3 inch profile and is 26 inches long.
PL9000-26 Specifications
|
Output: Output Resistance: Input Resistance: Material/Finish: Temperature: |
Rated Excitation: Non-linearity: Insulation Resistance: Seal Type: |
Connector Type: Connection Pin Out: Warranty: |
PL9000-26 Dimensions

Resources/Downloads
Parts
| Part # | Description | List Price | Cart/Quote |
|---|---|---|---|
| 114325 | Load Cell,Heavy Duty Underbody Bunk 26 Inch PL9000-26 0.725 mV/V@12,500 LB 350 Ohm |
List Price: $1,095.00 |