Your region has been set automatically. Please confirm or select a different region.
PL9000-50 Alloy Steel, Hermetically Sealed Load Cell
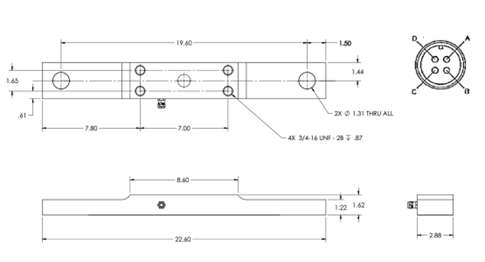
The PL9000-50 is designed for fifthwheel kits and spring suspension equalizer hangers. The PL9000-50 has two separate bearing plates, one on each end, and an overall profile of 2.8 inches.
PL9000-50 Specifications
|
Output: Output Resistance: Input Resistance: Material/Finish: Temperature: |
Rated Excitation: Non-linearity: Insulation Resistance: Seal Type: Cable Length: |
Connector Type: Connection Pin Out: Warranty: |
PL9000-50 Dimensions

Resources/Downloads
Parts
| Part # | Description | List Price | Cart/Quote |
|---|---|---|---|
| 114326 | Load Cell,Bending Beam PL9000-50 0.25 mV/V@12,500 LB 350 Ohm |
List Price: $925.00 |