Your region has been set automatically. Please confirm or select a different region.
Rice Lake RL72020SS Stainless Steel, Double-ended Beam Load Cell
A stainless steel, double-ended beam load cell with an environmental seal and is NTEP Certified. Available in capacities of 5,000 to 150,000 lb and complete with 30 ft of cable.
Approvals
Some approval documents are available to view by clicking the icons below.
WARNING: Cancer and Reproductive Harm California Proposition 65
RL72020SS Load Cell Specifications
|
Full Scale Output: Output Resistance: Input Resistance: Material/Finish: Temperature: |
Seal Type: Safe Overload: Safe Sideload: Rated Excitation: Combined Error: Insulation Resistance: |
Cable Length: Cable Color Code: Warranty: Approvals: |
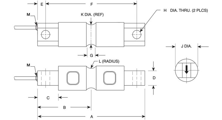
RL72020SS Load Cell Dimensions

| Rated Capacity | A | B | C | D | E | F | G | H | J | K | L | M |
|---|---|---|---|---|---|---|---|---|---|---|---|---|
| lb/in | ||||||||||||
| 5,000 to 10,000 | 8.12 | 4.06 | 1.44 | 1.12 | 0.62 | 6.88 | 0.62 | 0.66 | 1.70 | 1.48 | 0.50 | 1/4-18 NPT |
| 20,000 | 8.12 | 4.06 | 1.44 | 1.12 | 0.62 | 6.88 | 0.84 | 0.66 | 1.95 | 1.48 | 0.50 | 1/4-18 NPT |
| 30,000 to 60,000 | 10.25 | 5.12 | 1.88 | 2.37 | 0.88 | 8.50 | 1.00 | 1.06 | 3.20 | 2.73 | 1.00 | 1/2-14 NPT |
| 100,000 | 11.25 | 5.62 | 1.88 | 2.50 | 0.88 | 9.50 | 1.00 | 1.06 | 3.50 | 3.24 | 1.50 | 1/2-14 NPT |
| 150,000 | 11.25 | 5.62 | 1.88 | 2.80 | 0.88 | 9.50 | 1.25 | 1.06 | 3.90 | 3.64 | 1.50 | 1/2-14 NPT |
Resources/Downloads
Sales Literature
| Title | Collateral Wizard | Request | Download | Category | |
|---|---|---|---|---|---|
| Load Cell Wiring Guide | Request | Download | Load Cells | ||
| Load Cell Selection Guide | Request | Download | Load Cells|Weigh Modules | ||
| Load Cell and Weigh Module Selection Guide | Request | Download | Load Cells|Weigh Modules | ||
| Load Cell and Weigh Module Handbook | Request | Download | Load Cells|Weigh Modules |
Parts
NTEP Certified
| Part # | Description | List Price | Cart/Quote |
|---|---|---|---|
| 201781 | Load Cell,DEB RL72020SS 10000lb 30ft 3mv/v 700 Ohm WW NTEP 111 5M IIIL 10M FM SST IP67 |
List Price: $820.00 |
|
| 201782 | Load Cell,DEB RL72020SS 20000lb 30ft 3mv/v 700 Ohm WW NTEP 111 5M IIIL 10M FM SST IP67 |
List Price: $900.00 |
|
| 201783 | Load Cell,DEB RL72020SS 30000lb 30ft 3mv/v 700 Ohm WW NTEP 111 5M IIIL 10M FM SST IP67 |
List Price: $1,033.00 |
|
| 201784 | Load Cell,DEB RL72020SS 40000lb 30ft 3mv/v 700 Ohm WW NTEP 111 5M IIIL 10M FM SST IP67 |
List Price: $1,033.00 |
|
| 201785 | Load Cell,DEB RL72020SS 50000lb 30ft 3mv/v 700 Ohm WW NTEP 111 5M IIIL 10M FM SST IP67 |
List Price: $1,033.00 |
|
| 201786 | Load Cell,DEB RL72020SS 60000lb 30ft 3mv/v 700 Ohm WW NTEP 111 5M IIIL 10M FM SST IP67 |
List Price: $1,033.00 |
|
| 201787 | Load Cell,DEB RL72020SS 100000lb 30ft 3mv/v 700 Ohm WW NTEP III 5M IIIL 10M FM SST IP67 |
List Price: $1,960.00 |
Non-NTEP Certified
Related Products

VPG® Revere 9103 Stainless Steel, Double-ended Beam Load Cell
The VPG Revere 9103 stainless steel, double-ended beam load cell is designed for truck, track and process weighing with high accuracy, a low profile, tolerance to non-axial loading and a redundant seal.

EZ Mount 1 SS Weigh Module with RL70000SS Load Cell
The EZ Mount 1 Series weigh modules utilize the double-ended beam design with an articulating top plate to provide superior accuracy in any loading condition.