Your region has been set automatically. Please confirm or select a different region.
Rice Lake RL75058I Alloy Steel, Double-Ended Beam Load Cell
Nickel plated and environmentally sealed with stainless steel side plates. Designed for center link loading and compatibility with the Unilink or similar suspension systems up to 75,000 lb.
Approvals
Some approval documents are available to view by clicking the icons below.
WARNING: Cancer and Reproductive Harm California Proposition 65
RL75058I Load Cell Specifications
|
Full Scale Output: Output Resistance: Input Resistance: Material/Finish: Temperature: Seal Type: |
Safe Overload: Safe Sideload: Rated Excitation: Combined Error: Insulation Resistance: Cable Length: |
Cable Diameter: Cable Coloring Code: Warranty: Approvals: |
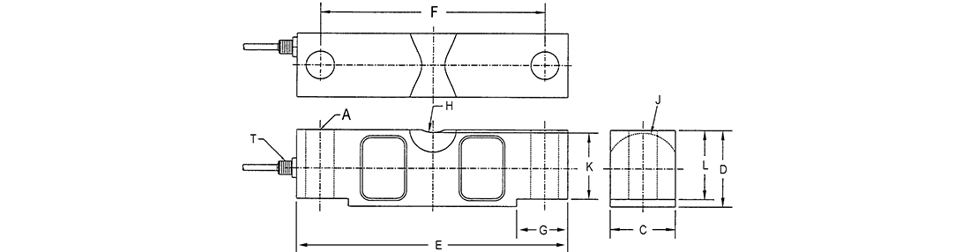
RL75058I Load Cell Dimensions

| Rated Capacity | A | C | D | E | F | G | H | J | K | L | T |
|---|---|---|---|---|---|---|---|---|---|---|---|
| lb/in | |||||||||||
| 10,000 to 25,000 | 0.68 | 1.69 | 1.94 | 7.75 | 6.50 | 1.38 | 0.75 | 0.90 | 1.63 | 1.70 | 1/4-18 NPT |
| 40,000 | 0.81 | 1.94 | 2.44 | 10.25 | 8.50 | 1.93 | 1.00 | 1.12 | 2.00 | 2.10 | 1/4-18 NPT |
| 50,000 to 75,000 | 1.06 | 2.44 | 2.94 | 10.25 | 8.50 | 1.93 | 1.00 | 1.37 | 2.54 | 2.65 | 1/2-14 NPT |
| 100,000 to 125,000 | 1.62 | 2.90 | 3.86 | 15.25 | 12.75 | 3.13 | 1.50 | 1.80 | 3.30 | 3.43 | 1/2-14 NPT |
Resources/Downloads
Sales Literature
| Title | Collateral Wizard | Request | Download | Category | |
|---|---|---|---|---|---|
| Load Cell Wiring Guide | Request | Download | Load Cells | ||
| Load Cell Selection Guide | Request | Download | Load Cells|Weigh Modules | ||
| Load Cell and Weigh Module Selection Guide | Request | Download | Load Cells|Weigh Modules | ||
| Load Cell and Weigh Module Handbook | Request | Download | Load Cells|Weigh Modules |
Replacement Parts
Replacement parts can only be purchased through trained and authorized dealers. You must be logged in as a dealer to view any available replacement parts.
To locate a dealer in your area, please call us at 1-800-472-6703 or fill out a request online.
Related Products

VPG® Sensortronics® 65058A Alloy Steel, Double-ended Beam Load Cell
The VPG Sensortronics 65058A alloy steel, double-ended beam load cell is nickel plated and environmentally protected with stainless steel side plates.

VPG® Celtron® CLB Alloy Steel, Double-ended Beam Load Cell
The VPG Celtron CLB is an alloy steel, nickel-plated, double-ended beam load cell that is ideal for applications in truck, track, tank and hopper applications.

SURVIVOR® RL2100 HE Heavy-Capacity Weigh Module Kits
The SURVIVOR RL2100 HE weigh module Incorporates an articulating load plate, hardened load pin and double-ended beam load cell into one simple design, tolerating eccentric loads and side loads of up to 100% of capacity.

MVS Mount/MVS Weigh Module Conversion Kit
Designed for Rice Lake's SURVIVOR® truck scale product line, the MVS utilizes the center-loaded double-ended shear beam load cell design in severe environments.