Your region has been set automatically. Please confirm or select a different region.
Rice Lake RLH35 Stainless Steel, Single-Ended Beam Load Cell
Stainless steel construction and integral mounting foot as well as dimensional and electrical interchangeability with several load cell manufacturers. Available in a 500 lb capacity with 20ft of load cell cable.
Approvals
Some approval documents are available to view by clicking the icons below.
WARNING: Cancer and Reproductive Harm California Proposition 65
RLH35 Load Cell Specifications
|
Full Scale Output: Output Resistance: Input Resistance: Material/Finish: Temperature: |
Seal Type: Safe Overload: Rated Excitation: Combined Error: Insulation Resistance: Deflection at Capacity:
|
Cable Length: Cable Diameter: Cable Color Code: Warranty: Approvals:
|
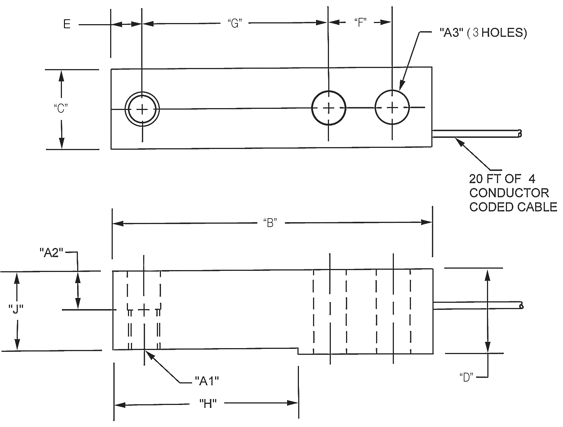
RLH35 Load Cell Dimensions

| Rated Capacity | A1 | A2 | A3 | C | D | B | E | F | G | H | J |
|---|---|---|---|---|---|---|---|---|---|---|---|
| lb/in | |||||||||||
| 500 | 1/2-20 UNF | 0.62 | 0.53 | 1.21 | 1.19 | 5.12 | 0.50 | 1.00 | 3.00 | 2. 85 | 1.120 |
Resources/Downloads
Sales Literature
| Title | Collateral Wizard | Request | Download | Category | |
|---|---|---|---|---|---|
| Load Cell Wiring Guide | Request | Download | Load Cells | ||
| Load Cell Selection Guide | Request | Download | Load Cells|Weigh Modules | ||
| Load Cell and Weigh Module Selection Guide | Request | Download | Load Cells|Weigh Modules | ||
| Load Cell and Weigh Module Handbook | Request | Download | Load Cells|Weigh Modules |
Parts
| Part # | Description | List Price | Cart/Quote |
|---|---|---|---|
| 106038 | Load Cell,SEB RLH35-500 500lb 20ft 3mv/v 350 Ohm NTEP III 3S/5M EW SST WS IP67 FM |
List Price: $475.00 |
Related Products

HBK® H35 Stainless Steel, Single-Ended Beam Load Cell
The HBK H35 load cell offers all stainless steel construction and integral mounting foot as well as dimensional and electrical interchangeability with several load cell manufacturers.