Your region has been set automatically. Please confirm or select a different region.
Rice Lake RLHBB Stainless Steel, Single-Ended Beam Load Cell
Stainless steel construction, hermetic sealing and polyurethane shielded cable enable the RLHBB to function in harsh environments while maintaining its operating specifications. Suitable for low-profile platforms, weighing and packing machines, electromechanical conversions and general-purpose weighing applications. OIML C3-certified capacities range from 5 kg to 500 kg. Complete with 3 m (9.8 ft) of load cell cable.
Approvals
Some approval documents are available to view by clicking the icons below.
WARNING: Cancer and Reproductive Harm California Proposition 65
RLHBB Load Cell Specifications
|
Full Scale Output: Output Resistance: Input Resistance: Material/Finish: Temperature: Seal Type: |
Safe Overload: Rated Excitation: Combined Error: Insulation Resistance: Deflection at Capacity: Cable Length: Cable Diameter: |
Cable Color Code: Warranty: Approvals: |
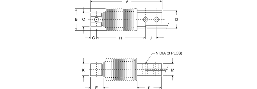
RLHBB Load Cell Dimensions

| Rated Capacity | A | B | C | D | E | F | G | H | J | K | M | N |
|---|---|---|---|---|---|---|---|---|---|---|---|---|
| kg/mm | ||||||||||||
| 5-500 | 120.0 | 40.0 | 23.0 | 32.0 | 20.5 | 45.5 | 10.0 | 82.0 | 18.0 | 20.0 | 20.0 | 8.20 |
Resources/Downloads
Sales Literature
| Title | Collateral Wizard | Request | Download | Category | |
|---|---|---|---|---|---|
| Load Cell Wiring Guide | Request | Download | Load Cells | ||
| Load Cell Selection Guide | Request | Download | Load Cells|Weigh Modules | ||
| Load Cell and Weigh Module Selection Guide | Request | Download | Load Cells|Weigh Modules | ||
| Load Cell and Weigh Module Handbook | Request | Download | Load Cells|Weigh Modules |
Parts
OIML
| Part # | Description | List Price | Cart/Quote |
|---|---|---|---|
| 32678 | Load Cell,CLB RLHBB-C3- 5kg 3M 2mV/V 350 OHM OIML-C3 SST HS IP66/68 FM |
List Price: $483.00 |
|
| 31260 | Load Cell,SEB RLHBB-C3- 50kg 50kg 3m 2mV/V 350 OHM OIML-C3 SST HS IP66/68 FM |
List Price: $483.00 |
|
| 31262 | Load Cell,SEB RLHBB-C3- 200kg 200kg 3m 2mV/V 350 OHM OIML-C3 SST HS IP66/68 FM |
List Price: $483.00 |
|
| 31263 | Load Cell,SEB RLHBB-C3- 250kg 250kg 3m 2mV/V 350 OHM OIML-C3 SST HS IP66/68 FM |
List Price: $483.00 |
Related Products

Rice Lake RL9018SS Stainless Steel, Single-ended Beam Load Cell
The Rice Lake RL9018SS is a stainless steel, single-ended beam load cell that is hermetically sealed with an IP68 rating. It has NTEP approval for capacities from 5 kg to 500 kg. Each load cell comes with 3 m of cable.

HBK® Z6 Stainless Steel, Single-Ended Beam Load Cell
The HBK Z6 stainless steel, welded seal, bending beam load cell is ideal for harsh or caustic environments as well as washdown applications.

VPG® Revere SHB Stainless Steel, Single-ended Beam Load Cell
The VPG Revere SHB single-ended beam load cell is stainless steel and features a welded seal for tough industrial environments where high accuracy and low profile are required.

VPG® Tedea-Huntleigh® 355 Stainless Steel, Single-ended Beam Load Cell
This single-ended beam, stainless steel load cell is suitable for low-profile platforms, weighing and packing machines, electromechanical conversions and general-purpose weighing applications.

SURVIVOR® RL1700 HE Weigh Module Kits
The SURVIVOR RL1700 HE weigh module offers precision-machined, weldless construction to maximize pressure-washdown cleaning effectiveness.