Your region has been set automatically. Please confirm or select a different region.
RL101 Scale Compact Digital Below-the-hook Scale
- Low headroom (14.5 to 16.65 in)
- Infrared remote control (up to 25 ft)
- Carrying case
- Single and multi-point calibration
- Upper and lower shackles
- Lift and weigh scale (or device)
Compact Digital Below-the-hook Scale
The easy-to-use RL101 below-the-hook (BTH) digital scale is ideal for overhead weighing in industrial environments. This reliable BTH scale is fitted with an infrared remote control which can be configured as a remote keypad. The infrared remote control can be used at a distance up to 25 feet. This compact BTH scale reduces the lifting distance for increased safety. Manufactured in strict compliance with the highest safety standards, the RL101 scale continues to sustain a 5:1 Ultimate Safety Factor.
Ensuring operators can view weight in any lighting condition, the RL101 has a vibrant, LCD backlit display. A five-key waterproof keypad allows for easy zero, tare, mode, print and on/off controls. The RL101 comes in a sturdy transport case for extra protection.
RL101 Below-the-Hook Scale Specifications
|
Power: Battery Life: Resolution: Annunciators: Keys/Buttons: |
Display: Design Overload: Auto-Off Mode: |
Shackles: Temperature: Rating/Material: |
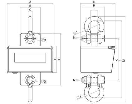
RL101 Below-the-Hook Scale Dimensions

| RL101 3k / 6K & 12k | |||
|---|---|---|---|
| A | 7.09 (180 mm) | H | 3.48 in (88.5 mm) / 4.76 in (121 mm) |
| B | 3.15 in (80 mm) | I | 1.07 in (27 mm) / 1.46 in (37 mm) |
| C | 0.63 in (16 mm) / 0.87 in (22 mm) | J | 1.70 in (43 mm) / 2.28 in (58 mm) |
| D | 1.58 in (40 mm) / 2.17 in (55 mm) | K | 7.72 in (196 mm) / 7.32 in (186 mm) |
| E | 4.10 in (104 mm) | L | 13.19 in (335 mm) / 14.92 in (379 mm) |
| F | 9.67 in (246 mm) | M | 14.49 in (368 mm) / 16.65 in (423 mm) |
| G | 5.35 in (136 mm) | N | 0.83 in (21 mm) / 1.1 in (28 mm) |
Resources/Downloads
Manuals
| Title | Version | Revision | Download | Category | Archived | |
|---|---|---|---|---|---|---|
| Overhead Weighing Safety and Periodic Maintenance Manual | B | Download | MSI Crane Scales|Overhead Weighing Systems | No | ||
| RL101 Quick Reference Guide | A | Download | Overhead Weighing Systems | No | ||
| RL101 Operation Manual | A | Download | Overhead Weighing Systems | No | ||
| RL101 Technical Manual | C | Download | Overhead Weighing Systems | No | ||
| RL101 Serial Protocol Technical Manual | A | Download | Overhead Weighing Systems | No |
Parts
| Part # | Description | List Price | Cart/Quote |
|---|---|---|---|
| 219144 | Scale, RL101-3k BTH 3000lb capacity, Below-The-Hook, Multi-Range |
List Price: $1,838.00 |
|
| 219145 | Scale, RL101-6K BTH 6000lb capacity, Below-The-Hook, Multi-Range |
List Price: $2,048.00 |
|
| 219147 | Scale, RL101-12k BTH 12,000lb capacity, Below-The-Hook, Multi-Range |
List Price: $2,205.00 |