Your region has been set automatically. Please confirm or select a different region.
RL1900 Series Stainless Steel Weigh Module Kit
Complete Kit Includes
- Three or four RL1900 stainless steel compression mounts with RLSSB NTEP Certified welded stainless steel single-ended beam load cells
- One JB4SS NEMA Type 4X stainless steel signal trim junction box
- 25 ft of hostile environment EL147HE SURVIVOR® load cell cable
Standard Features
- Capacities (per module): 1,000 to 10,000 lb
- NTEP Certified load cells, 1:5000 d, Class III single cell
- Stainless steel construction
- Mild steel top plate
- Low-profile design
- Center-pivoted, tension loading design
- Welded-seal stainless steel load cells, IP67
- Self-checking, multi-directional movement
- Easy load cell replacement
- Load is suspended on a high-strength bolt instead of wire rope
- Design incorporates spherical washers
- Compatible with VPG® Revere SSB load cells
- Stainless steel top plates optional
Applications
- Medium-capacity tanks, bins and hoppers
- Washdown or corrosive applications
Approvals
Some approval documents are available to view by clicking the icons below.
WARNING: Cancer and Reproductive Harm California Proposition 65
Corrosion-resistant Weigh Module Kit
The RL1900 Series weigh module kit utilizes several Rice Lake Weighing Systems components to provide an unmatched level of performance in tank and hopper weighing applications. The RL1900 kit is ideally suited for tank, hopper and bin weighing operations with medium-range capacities. Each module combines multi-directional movement and self-checking capabilities. The welded seal stainless steel RLSSB load cell withstands washdown and corrosive environments that may present problems to other cells.
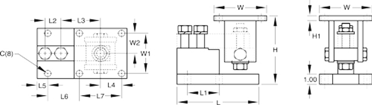
RL1900 Series Dimensions

| Rated Capacity | C | H Min/Max | H1 | L | L1 | L2 | L3 | L4 | L5 | L6 | L7 | W | W1 | W2 |
|---|---|---|---|---|---|---|---|---|---|---|---|---|---|---|
| lb/in | ||||||||||||||
| 1,000 to 5,000 | 0.62 | 5.38/5.62 | 0.50 | 8.75 | 4.00 | 2.50 | 3.88 | 2.00 | 1.12 | 4.00 | 4.00 | 5.00 | 4.00 | 2.00 |
| 10,000 | 0.81 | 6.88/7.50 | 1.00 | 9.75 | 5.00 | 2.63 | 4.88 | 2.25 | 1.00 | 5.00 | 4.50 | 6.00 | 4.50 | 2.25 |
Resources/Downloads
Parts
Single Module (Does NOT Include Load Cell)
| Part # | Description | List Price | Cart/Quote |
|---|---|---|---|
|
17841
|
Mount,RL1905 1,000-5,000 lb SST Compression No Cell
|
List Price: $715.00 |
|
|
17843
|
Mount,RL1910 10,000 lb SST Compression No Cell
|
List Price: $775.00 |
3-Module Kit
4-Module Kit
Replacement Parts
Replacement parts can only be purchased through trained and authorized dealers. You must be logged in as a dealer to view any available replacement parts.
To locate a dealer in your area, please call us at 1-800-472-6703 or fill out a request online.
Related Products

Rice Lake RLSSB Stainless Steel, Single-ended Beam Load Cell
The Rice Lake RLSSB Stainless Steel, Single-Ended Beam Load Cell offers welded-seal protection for use in the most hostile environments.