Your region has been set automatically. Please confirm or select a different region.
RL9000TWM Series Weigh Module Kit
Complete Kit Includes
- Three or four stainless steel mounting assemblies with RL9000TWM compression disk load cells
- One JB4SS NEMA Type 4X stainless steel signal trim junction box
- 25 ft of hostile environment EL147HE SURVIVOR® load cell cable
Standard Features
- Capacities (per module): 1,000 to 450,000 lb
- Stainless steel construction
- Mild steel base plates (stainless steel available on some capacities)
- Low-profile design
- Self-centering
- Self-checking assembly
- Offers 100% sideload, 100% uplift and 150% static safe load and 300% ultimate static overload protection
- Weighs accurately with up to 3° non-parallel load
Applications
- Tank, hopper or vessel weighing
Approvals
Some approval documents are available to view by clicking the icons below.
WARNING: Cancer and Reproductive Harm California Proposition 65
High-precision Stainless Steel Weigh Module
The RL9000TWM Series stainless steel weigh module is ideal for use in tank, hopper, vessel and many other applications. The low-profile design offers an economical solutions in a competitive marketplace. This rugged, high-precision mount is designed for easy installation and does not require check rods or other stabilizing hardware. The stainless steel construction and welded seal offer additional protection in washdown areas.
RL9000TWM Series Specifications
|
Full Scale Output: Bridge Resistance: Material/Finish: Temperature: Seal Type: Safe Overload: |
Rated Excitation: Nonlinearity: Insulation Resistance: Non-repeatability: Cable Length: |
Deflection at Capacity: Cable Color Code: Warranty: |
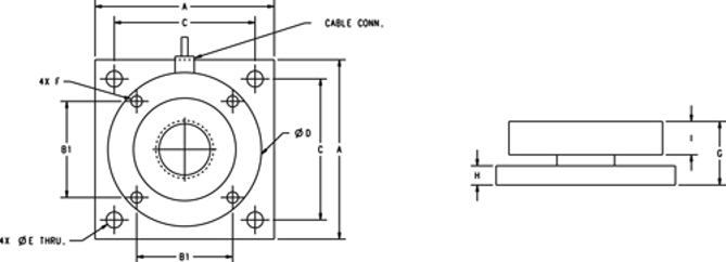
RL9000TWM Series 1,000 to 100,000 lb Dimensions

| Rated Capacity | A | B1 | C | D | E | F | G | H | I | Conduit Adapter |
|---|---|---|---|---|---|---|---|---|---|---|
| lb/in | ||||||||||
| 1,000 to 10,000 | 4.00 | 2.00 | 3.25 | 3.50 | 0.40 | 3/8-16 UNC | 1.35 | 0.375 | 0.75 | - |
| 15,000 | 4.00 | 2.00 | 3.25 | 3.50 | 0.40 | 3/8-16 UNC | 1.60 | 0.625 | 0.75 | - |
| 20,000 to 50,000 | 7.00 | 3.75 | 5.50 | 6.00 | 0.63 | 1/2-13 UNC | 2.48 | 0.75 | 1.30 | 1/2-14 NPT |
| 60,000 to 100,000 | 8.00 | 4.25 | 6.50 | 7.00 | 0.81 | 3/4-16 UNC | 2.50 | 1.00 | 1.30 | 1/2-14 NPT |
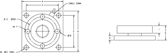
RL9000TWM Series 150,000 to 200,000 lb Dimensions

| Rated Capacity | A | B1 | C | D | E | F | G | H | I | Conduit Adapter |
|---|---|---|---|---|---|---|---|---|---|---|
| lb/in | ||||||||||
| 150,000 to 200,000 | 10.0 | 7.825 | 8.00 | 9.00 | 1.10 | 1-14 UNF | 4.75 | 2.00 | 1.70 | 1/2-14 NPT |
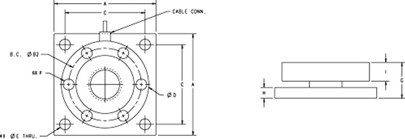
RL9000TWM Series 250,000 to 450,000 lb Dimensions

| Rated Capacity | A | B1 | C | D | E | F | G | H | I | Conduit Adapter |
|---|---|---|---|---|---|---|---|---|---|---|
| lb/in | ||||||||||
| 250,000 to 450,000 | 11.00 | 7.75 | 9.00 | 9.00 | 1.30 | 7/8-14 UNF | 6.42 | 3.00 | 2.25 | 1/2-14 NPT |
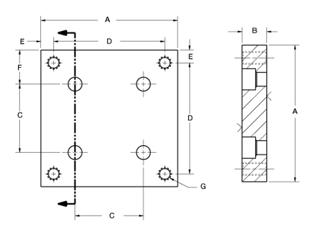
RL9000TWM Series Optional Top Plate Dimensions

| Rated Capacity | A | B | C | D | E | F | G |
|---|---|---|---|---|---|---|---|
| lb/inches | |||||||
| 1,000 to 15,000 | 4.00 | 0.72 | 2.00 | 3.25 | 0.38 | 1.00 | 3/8-16 UNC |
| 20,000 to 50,000 | 7.00 | 0.97 | 3.75 | 5.50 | 0.75 | 1.62 | 5/8-11 UNC |
| 60,000 to 100,000 | 8.00 | 1.46 | 4.25 | 6.50 | 0.75 | 1.88 | 3/4-16 UNF |
| 150,000 to 200,000 | 10.00 | 1.94 | 5.53 | 8.00 | 1.00 | 2.25 | 1-14 UNS |
| 250,000 to 450,000 | 11.00 | 2.94 | 7.75 B.C. | 9.00 | 1.00 | 1.00 | 1-1/4-12 UNF |
Resources/Downloads
Articles
| Title | View | Category | Type | |
|---|---|---|---|---|
| Our Day at the Zoo | View | Floor Scales | Application Story | |
| Weighing the World | View | Indicators / Controllers|Truck Scales|Load Cells | Application Story |
Parts
Single Module
| Part # | Description | List Price | Cart/Quote |
|---|---|---|---|
|
84353
|
Mount Assy,RL9000TWM 1K 1000LB SST WS 3 MV/V 350 OHM 25 FT FM
|
List Price: $725.00 |
|
| 84354 | Mount Assy,RL9000TWM 2.5K 2500LB SST WS 3 MV/V 350 OHM 25 FT FM |
List Price: $725.00 |
|
| 84355 | Mount Assy,RL9000TWM 5K 5000LB SST WS 3 MV/V 350 OHM 25 FT FM |
List Price: $725.00 |
|
| 84356 | Mount Assy,RL9000TWM 10K 10000LB SST WS 3 MV/V 350 OHM 25 FT FM |
List Price: $725.00 |
|
|
84357
|
Mount Assy,RL9000TWM 15K 15000LB SST WS 3 MV/V 350 OHM 25 FT FM
|
List Price: $725.00 |
|
|
84358
|
Mount Assy,RL9000TWM 20K 20000LB SST WS 3 MV/V 350 OHM 25 FT FM
|
List Price: $1,375.00 |
|
| 84359 | Mount Assy,RL9000TWM 25K 25000LB SST WS 3 MV/V 350 OHM 25 FT FM |
List Price: $1,375.00 |
|
| 84360 | Mount Assy,RL9000TWM 35K 35000LB SST WS 3 MV/V 350 OHM 25 FT FM |
List Price: $1,375.00 |
|
|
84361
|
Mount Assy,RL9000TWM 50K 50000LB SST WS 3 MV/V 350 OHM 25 FT FM
|
List Price: $1,375.00 |
|
| 84362 | Mount Assy,RL9000TWM 60K 60000LB SST WS 3 MV/V 350 OHM 25 FT FM |
List Price: $2,285.00 |
|
| 84363 | Mount Assy,RL9000TWM 75K 75000LB SST WS 3 MV/V 350 OHM 25 FT FM |
List Price: $2,285.00 |
|
| 84364 | Mount Assy,RL9000TWM 100K 100000LB SST WS 3 MV/V 350 OHM 25 FT FM |
List Price: $2,285.00 |
|
| 84365 | Mount Assy,RL9000TWM 150K 150000LB SST WS 3 MV/V 350 OHM 25 FT ALLOY BASE FM |
List Price: $4,650.00 |
|
| 84366 | Mount Assy,RL9000TWM 200K 200000LB SST WS 3 MV/V 350 OHM 25 FT ALLOY BASE FM |
List Price: $4,650.00 |
|
| 84368 | Mount Assy,RL9000TWM 250K 250000LB SST WS 3 MV/V 350 OHM 25 FT ALLOY BASE FM |
List Price: $6,800.00 |
|
| 84369 | Mount Assy,RL9000TWM 300K 300000LB SST WS 3 MV/V 350 OHM 25 FT ALLOY BASE FM |
List Price: $6,800.00 |
|
| 84370 | Mount Assy,RL9000TWM 400K 400000LB SST WS 3 MV/V 350 OHM 25 FT ALLOY BASE FM |
List Price: $6,800.00 |
|
| 84371 | Mount Assy,RL9000TWM 450K 450000LB SST WS 3 MV/V 350 OHM 25 FT ALLOY BASE FM |
List Price: $6,750.00 |
3-Module Kit
4-Module Kit
Top Plates (Stainless Steel) with bolts
Top Plates (Mild Steel) with bolts
Options
Dummy Weigh Modules - Mild Steel (Non-Functioning)
| Part # | Description | List Price | Cart/Quote |
|---|---|---|---|
| 158749 | Dummy Load Cell, RL9000 TWM 1k-10k mild steel |
List Price: $115.00 |
|
| 158750 | Dummy Load Cell, RL9000 TWM 15k mild steel |
List Price: $140.00 |
|
| 158752 | Dummy Load Cell, RL9000 TWM 20k-50k mild steel |
List Price: $155.00 |
|
| 158753 | Dummy Load Cell, RL9000 TWM 60k-100k mild steel |
List Price: $175.00 |
|
| 158754 | Dummy Load Cell, RL9000 TWM 150k-200k mild steel |
List Price: $425.00 |
|
| 158755 | Dummy Load Cell, RL9000 TWM 250k-450k mild steel |
List Price: $450.00 |
Shims
Replacement Parts
Replacement parts can only be purchased through trained and authorized dealers. You must be logged in as a dealer to view any available replacement parts.
To locate a dealer in your area, please call us at 1-800-472-6703 or fill out a request online.