Your region has been set automatically. Please confirm or select a different region.
VPG® Celtron® STC Low-capacity Alloy Steel Load Cell
Ideally suited for batching and filling, conveyor and hopper/tank weighing. Nickel-plated, high-alloy steel construction. Capacities range from 50 to 200 lb. Complete with 20 ft of load cell cable.
Approvals
Some approval documents are available to view by clicking the icons below.
WARNING: Cancer and Reproductive Harm California Proposition 65
STC Low-capacity Load Cell Specifications
|
Full Scale Output: Output Resistance: Input Resistance: Material/Finish: Temperature: |
Seal Type: Safe Overload: Rated Excitation: Nonlinearity: Hysteresis: Insulation Resistance: |
Cable Length: Cable Diameter: Cable Color Code: Warranty: Approvals: |
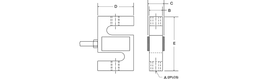
STC Low-capacity Load Cell Dimensions

| Rated Capacity | A | B | C | D | E |
|---|---|---|---|---|---|
| lb/in | |||||
| 50 to 200 | 1/4-28 UNF | 0.50 | 1.05 | 2.00 | 2.50 |
Resources/Downloads
Parts
| Part # | Description | List Price | Cart/Quote |
|---|---|---|---|
| 30044 | Load Cell,SBM STC-50 50lb 20ft Celtron 2mV/V 350 OHM WW IP67 |
List Price: $315.00 |
|
| 30045 | Load Cell,SBM STC-100 100lb 20ft Celtron 3mV/V 350 OHM WW IP67 |
List Price: $315.00 |
|
| 30046 | Load Cell,SBM STC-150 150lb 20ft Celtron 3mV/V 350 OHM WW IP67 |
List Price: $315.00 |
|
| 35787 | Load Cell,SBM STC-200 200lb 10ft Celtron 3mV/V 350 OHM WW IP67 |
List Price: $315.00 |
Related Products

ITCM Isolated Tension Cell Weigh Module Kit
The ITCM suspension kit weigh module incorporates clevis and unique rod-end ball joint assemblies to reduce the overall length to less than half of the traditional tension cell mounts, while providing correct load alignment.

Rice Lake RL20000I Alloy Steel, S-beam Load Cell
The alloy steel, Rice Lake RL20000I S-beam load cell is ideally suited for scale conversions and general purpose weighing.